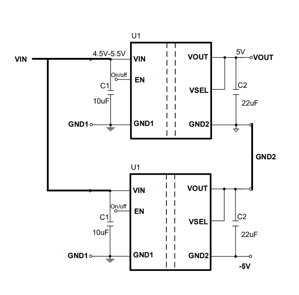
Hello. Is it possible to use two MIE1W0505 regulators (or similar isolated converts) to get a symmetrical output rails on the isolated side? Are there any special concerns for such application?
Hello Rafal, apologies for the delayed response here.
While this hasn’t been tested, I don’t see why this isn’t possible. Is Vout on the bottom module and GND2 on the top module supposed to be 0V? Is GND2 supposed to be -5V all around?
I would assume the connection between VOUT and GND2 of the top module is 0V but just wanted to make sure.
Assuming the VOUT and top GND2 is your 0V reference, here are some key concerns you need to take into account with this design that I can think of:
-
Output regulation interaction between each module. These outputs are generated by each module relative to their own secondary GNDs, not the newly created 0V node. An imbalance in load would cause this midpoint to shift, especially under some dynamic load.
-
The output current rating in this scenario doesn’t double, so ensure that 200mA isn’t drawn from both rails at the same time.
-
Stacking these modules also stacks switching noise, so your 0V node could potentially be noisy. Locally decouple these.
Hope this provides some insight. Let us know if there have been updates in your design since your last reply.
Best,
Krishan
This topic was automatically closed 90 days after the last reply. New replies are no longer allowed.
