Non-standard voltage for MP20073

I’ve got an application where I need a non-standard termination voltage rail of 2.2V, regulated down from a 3.3V supply.

Can you confirm that I can use an MP20073 with 3.3V on VDDQ and 4.4V on REF to get a VTT output of 2.2V? Also, would you recommend using 3.3V, 4.4V, or 5V for the VDRV bias voltage under these conditions?

Finally, elsewhere on the board I have DDR3L DRAM, with VDDQ=1.35V and a VTT=0.675. MP20073 seems like it’s specifically made to handle this case as well, but can you please confirm?

Thanks,
Rob

Hi rgaddi,

Welcome to the MPS forums, apologies for the delay in getting back to you.

What kind of application is this? Is there a high level power tree that could better explain your rails? This will help us better to understand overall design.

Looking at the terms such as VDDQ, VTT, etc. I am guessing this must be some memory related stuff to DDR or an FPGA such as Xilinx Zynq.

Regards,
Adhish

Hi rgaddi,

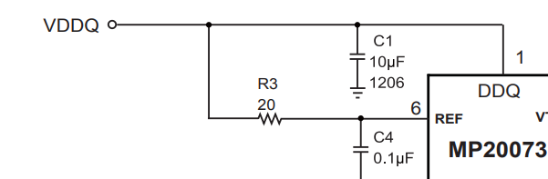
The output voltage VTT(2.2V) should works with VREF(4.4V)/2. The VDDQ can be between from 1.5V to 5V.


Here VDDQ should be equal to VREF as per the below circuit:
image

Yes, either of those values(3.3V, 4.4V or 5V) should work for VDRV bias voltage as they fall under the recommended operating conditions of the chip.

For the last part where VDDQ = 1.35V:
MP20073 can support this as well, please refer to the below diagram, where AMD’s Zynq 7000 uses MP20073 for powering their VTT rail.

You can check your requirements on our EV20073DH-00A as well.

For more reference for the Zynq7000, kindly refer to this link:ZYNQ 7000 Reference Design

Let us know if you have any other questions.

Regards,
Adhish

1 Like

This topic was automatically closed 90 days after the last reply. New replies are no longer allowed.