Hi Sirs,
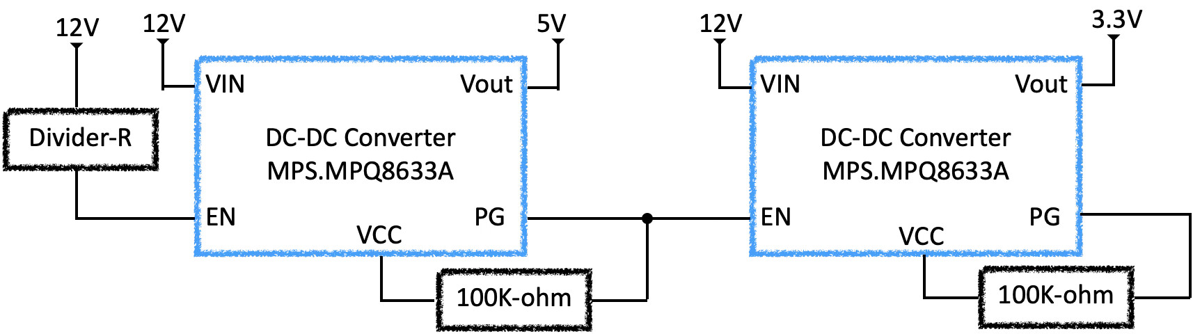
Current have one project use MPS.MPQ8663A converters designed-in and adopted Series diagram as picture shown.
For this diagram, can see one is support 5-Vout and the other one is support 3.3-Vout; now, we find the system possible cannot power-on successfully during execute power on-off cycle testing. therefore, I would like to asking does MPQ8633A series converter design have any potential risk? or, do you have any debug idea to go further analyze on here?
Plz help to confirm and many tks!!
BRs
By Neil
