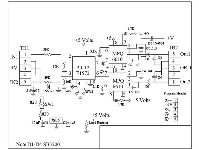
We have a board with two MPQ6610 chips that drive two solenoids. Several of the boards have been returned by the customer with blown MPQ6610 chips. Blown being physically damaged chips. On some the Vin is shorted to Grd and Out. Theses chips short the power supply . Others Vin is shorted to IN and Out. These turn on the solenoid because Vin and out are shorted. I have put the board in backwards, shorted the output to ground, put +48 volts to the output and can not get them to fail. Any ideas? Here is the schematic.
Hello DerbyCity123,
Are C4 and C6 the only capacitors connected to the MPQ6610 VIN pins? If yes, the capacitance being too low might be a reasonable explanation of the issue experienced by the customer.
Best,
Carmine
I should have stated that these are SOIC-8 package. C5 and C7 are .1 uF and are on Pin 1 BST and PIN 3 OUT. C4 and C6 are .1 uF and are on pin2 Vin and ground.
