Hello,
I have replicated the referenced schematic using the MPQ4263GQVE-0002-AEC1 part number and am currently evaluating the current-limit functionality.
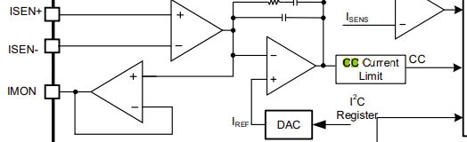
I have configured the current-limit feature based on the register settings specified in the MPQ4263 datasheet. As noted in the datasheet, the current-limit function is expected to operate only in Forced PWM mode. However, during testing, the expected current-limiting behavior is not observed in either Auto PWM or Forced PWM modes.
Test Setup and Configuration:
• VOUT set to 5 V with a DC electronic load connected
• Current-limit threshold configured to 0.7 A
• LDC disabled
• CC enabled, with CC blanking timer set to 3 ms
• Operating modes tested: Auto PWM and Forced PWM
• Sense resistor value: 5 mΩ
Observed Behavior:
• Load current exceeds the programmed current-limit threshold, indicating that CC mode may not be engaging
• The IMON pin remains at 0 V even when the load is drawing significant current
Could you please advise on the recommended next steps to debug or validate the current-limit functionality? Additionally, please let us know if there are any other configuration requirements, dependencies, or checks that we should verify.
Thank you for your support.


