MPM82504 - Query regarding Part Number and usage

Hi, I want to use MPM82504 for following power rail generation.

  1. Single 100A Parallel Operation to generate one 0.75V @ 35.223A rail
  2. Dual 50A Parallel Operation to generate two 1.2V @ 17.673A rails

Query-1: Is this Part# MPM82504 in production? Will it be available and have long term support of around 7 years.
Query-2: Can I use Part# MPM82504GBH-0000 to generate these rails? Request you to suggest the part number to be used.
Query-3: I want to get these rail at power-up by default without any need of PMBUS configuration. I believe I can do that by setting these output voltage by default using external resistor divider. Is it a correct assumption?

Hello, welcome to the MPS Forums!

The MPM82504 is a very versatile part given the flexible configurations of the Quad 25A rail configuration. I can answer your questions in the following order:

  1. Correct, the MPM82504 is in full production. Our EOL policy states that as long as customers are ordering a part, it will still be available to purchase. Given that this module has been released in 2021, I don’t see any interruptions in production in the next 7 years.

  2. Dual 50A Parallel:
    image
    Single 100A Parallel:
    image
    Are thermals the main reason as to why there is plenty of headroom here? What is your end application if you are at liberty to share?

  3. There are two suffixes outlined in the datasheet as shown:


    image
    The -0001 suffix already has a dual channel configuration whereas the -0000 suffix has independent quad channels by default. All of these are configurable using external resistor dividers by default, so your initial assumption was correct.

Let me know if there are any additional questions.

Best,
Krishan

Hi,
Thanks for the reply.
Yes, thermal is the reason for keeping the headroom.

Query-1: Regarding the suffix code 0000 Part, the table shows VOUT can be set by external divider but it also shows fixed VOUT values of 0.85V, 0.9V, 1.2V and 1.8V. So i am confused whether these are fixed outputs or can i change it using external voltage divider ?

Query-2: Can I use suffix code 0000 Parts to generate following rails by default

  1. Single 0.75V @ 100A (Single 100A parallel operation) output
  2. Dual1.2V @17.63A (Dual 50A Parallel operation)

Query-3: I want to also support the remote sense feature so how to use it along with external voltage divider.

Thanks
Chetan

Hello,

I can answer these questions in the order asked:

  1. Your confusion on the first question is completely understandable. These output voltages are not in any way fixed here. Since these modules are set to external divider by default, you output voltage will still be dictated by the resistors placed using the following equation to reference:
    image

  2. You can use the -0000 suffix for the following rails. But you will need to set up the rails via hardware as shown in Figures 10 and 12 above. You will also need to set the feedback resistors appropriately. Alternatively, I can recommend the following alternative modules where you would just need to set the feedback resistors while worrying less about the connections:

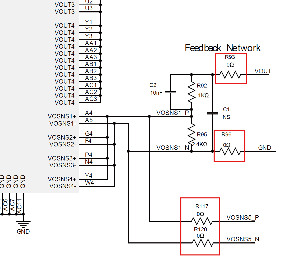
  1. Here is a note on the remote sense feature:
    image
    See how the VOSNS pins are connected in Figure 10 as shown.

Hope this provided some insight.

Best,
Krishan

Thanks for the response.
Regarding Remote sense, can external voltage divider and remote sense connections co-exists together ? Or do we need to use it one at a time meaning voltage divider connection from VOUT need to be isolated when using remote sense and setting output voltage using PMBUS ?

Hello,

This is a pretty good question. I would say going with the first set for remote sense is a good idea.

For a more modular setup, I’d recommend using the following diagram as a guide as this is what is typically suggested by our reference design team:

You have the ability to have local and remote sense in case there are issues with either option and the feedforward cap here would assist in stability. Hope this helps.

Hi,

We have used Part# MPM82504GBH-0000 at 2 places on our board to generate following rails,

Place-1: Single 100A Parallel Operation to generate one 0.75V @ 35.223A rail. We did all required connections for this as per application diagram

Place-2: Dual1.2V @17.63A (Dual 50A Parallel operation). We did all required connections for this as per application diagram

Now we are unable to source this part for board assembly, and we got blocked by this. however, we got Part# MPM82504GBH-0001 for assembly and we want to use it. We have following queries on this.

Q-1: Can we directly use Part# MPM82504GBH-0001 in Place-2 to get Dual1.2V @17.63A (Dual 50A Parallel operation)? Do we need to change any connections, or will it work as is?

Q-2: Can we directly use Part# MPM82504GBH-0001 in Place-1 to get at least 0.75V @ 50A (Ch-1 and Ch-2 Parallel output)? We have a provision to isolate the Ch-3 and Ch-4 parallel output from Ch-1 and Ch-2. So, Ch-3 and Ch-4 parallel output will be floating and unused. Will this work? Apart from this do we need to change any other connections?

Request you to respond on this as soon as possible.

Thanks

Chetan Patil

Hello Chetan,

Sorry to hear you are having issues sourcing the exact suffix variant of this module you were looking for.

Understood on the two use cases you have planned for your design, thanks for describing them in good detail. Just to reiterate, this is the configuration of the -0001 suffix for the MPQ82504:

I will answer your questions in the order asked:

  1. Given a dual Vout = 1.2V where Iout = 17.63A for each rail, you should have no issues using the MPM82504GBH-0001 in Place 2 because this is already in the dual output configuration. In terms of the hardware connections, no changes would be made as you would have your schematic align with the connections made in Figure 10 (as shown above). You may have to adjust the valley current limit as needed since by default this is 25.5A. If all is well then, no changes would need to be made on the software side.

  2. Since Vout = 0.75V and Iout = 50A, why wouldn’t you parallel all outputs as seen in Figure 12 (shown in my initial reply)? Each rail can operate to a maximum of 25A. If you only use 2 channels, that would mean your dual rails as you describe would be operating at their max capability (and your typical output current at 50A), hindering your thermal performance and therefore efficiency as a result. If you paralleled all rails, this would surely give you superior efficiency and thermals as the full capability would be at 100A max for the combined rails given your typical current of 50A.