Hi,
We have used the two MPM54524 power module with i2c interface. I have configured the IC with the following configurations using the MSP430f677A.
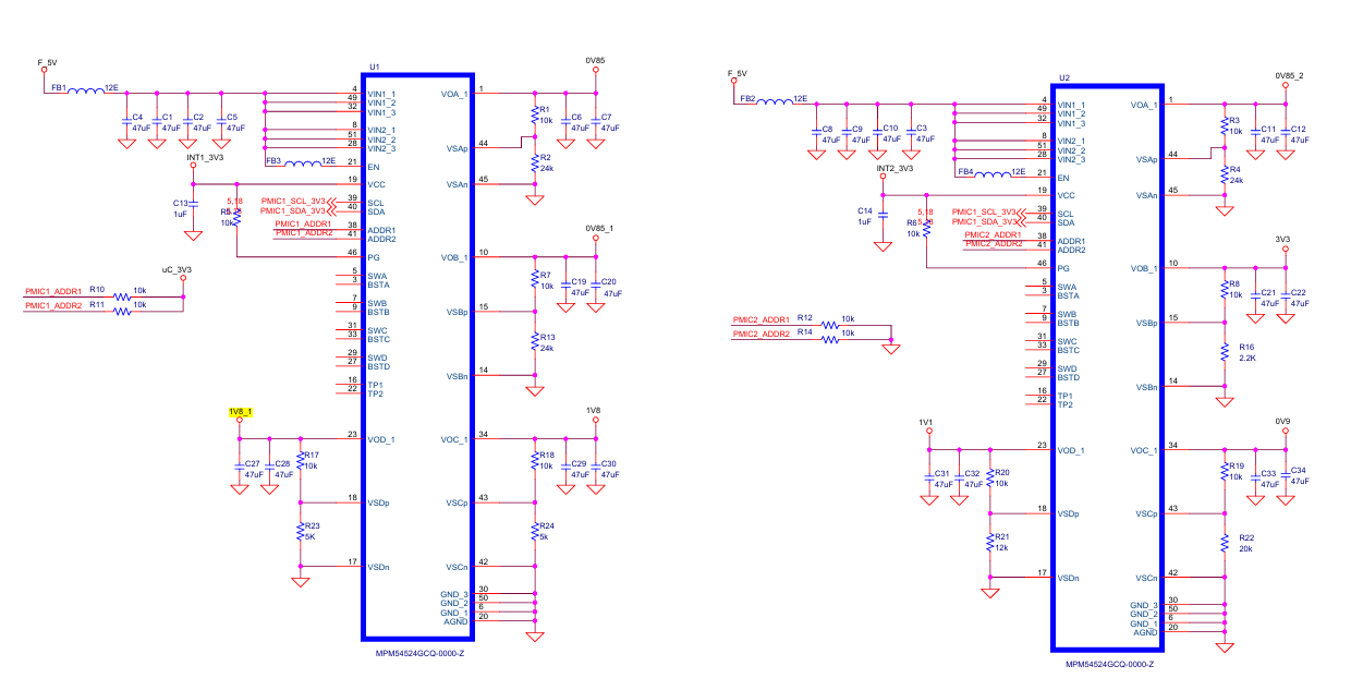
In U1 (as per schematics attached below) IC, I have written the following
VOUT_RANGE_SELECT (25h) - 0x0F (sets the volt range to 1.2V to 3.6V with 15mV/step)
BUCKA_VOUT (15h) - 0X8E (sets the Output_a value as 3.33V)
BUCKB_VOUT (16h) - 0X8E (sets the Output_b value as 3.33V)
BUCKC_VOUT (17h) - 0X8E (sets the Output_c value as 3.33V)
BUCKD_VOUT (18h) - 0X8E (sets the Output_d value as 3.33V)
MONITOR_EN_REG (10h) - 0X0C (monitoring output_b voltage)
BUCKX_CTRL_REG (0Ch) - 0xFF (Enables all buck output regulator and sets it in a automatic mode)
Reads the following
STATUS_0 (00h) - 0x3c - (Every output is power not good, other than Buck_B)
STATUS_0 (01h) - 0x0b - (other than Buck_B, other outputs shows UVLO error)
BUCKX_VOLTAGE (06h) - (While powering on the IC, this register reads 0V. If I reads the register while the IC is in ON condition, I reads 2.7V only on Buck_B output. But, the measured output voltage is 4.45V in Buck_B output pin)
PART_ID (31h) - 0x24 -(as per datasheet)
OC_STATUS_CLEAR (2Ah) - 0x0F -(datasheet mentions it as a over current error
In U2 (as per schematics) IC, I have written the same but
Reads the following
STATUS_0 (00h) - 0x3c - (Every output is power not good)
STATUS_0 (01h) - 0x0f - (Every outputs is shows a UVLO error)
BUCKX_VOLTAGE (06h) - (Reads 0V)
PART_ID (31h) - 0x24 -(as per datasheet)
Now, I got 4.45V at Buck_B of U1 IC, Also its not responding based on the value set at BUCKB_VOUT, there is no change even after disabling the pin. Even other pins shows 0V and not responding to BUCKX_VOUT register. Kindly help me to sort it out.
Thanks and Regards,
Santhosh.
