Hello,
We have integrated the MPM3620 in our application to regulate an input voltage of 5 V–24 V down to an output of 3.3 V.
We have encountered multiple issues with the MPM3620:
Issue 1:
During the first tests using a 5 V input, after multiple power-on and power-off cycles, a short circuit appears between the 5 V input and the 3.3 V output. This condition recovers after the device has been powered off for some time. We measured the power-on behavior of the MPM3620, and it appears normal. The same PCBs were working fine for the first few days before this issue appeared.
Issue 2:
Occasionally, the output voltage is around 800 mV. It seems that some kind of shutdown or protection may be occurring in the regulator. This does not happen on every power-up, only intermittently. We have tried adding an external soft-start circuit, but it did not resolve the issue.
PIN connection question:
How is the PIN 15 connected internally? We measured that the PIN 15 appears to be connected to the 3.3 V output. Is this correct? We checked the PCB layout and confirmed that this connection is not present on the board. We also desoldered the MPM3620 and verified that there was no such connection externally.
Could you please advise on the possible causes of these unpredictable behaviors and how we can resolve them?
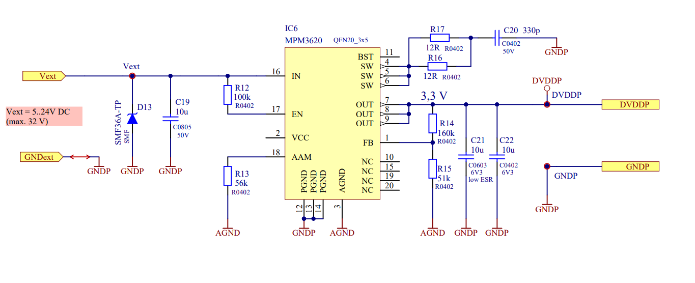
Please see the schematic and PCB layout below for reference.
Best regards,

