MPM3612 inverting configuration

Hello,

Is it safe to use the MPM3612 module in inverting buck configuration? Thanks

Hello,

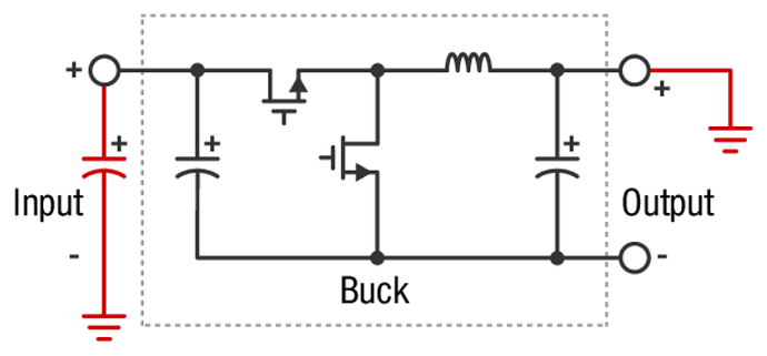
While this is not outlined in the typical application of this module, you should theoretically be able to connect VOUT to 0V and GND should be your negative voltage rail.

This diagram shows how these connections should be made:

Do you have an evaluation board to run tests with?