Hi MPS team,
My host I²C bus voltage is 1.8 V.
Can I connect a 1.8 V I²C bus to the MP8870 I²C bus without a level shifter?
Thanks!
Hello max1,
I believe that a level shifter would be needed.
Let me confirm and I will follow up.
Hi Eduardo,
Thanks for your reply!
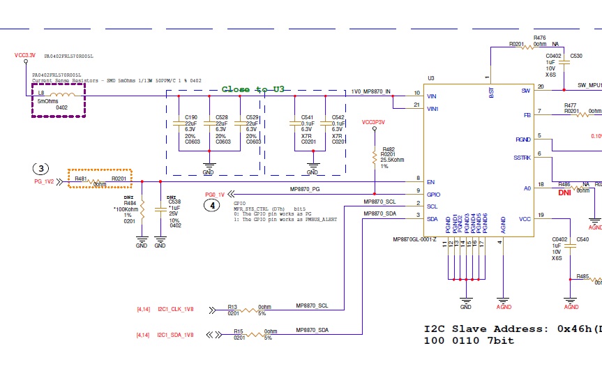
-
Please find the schematic attached as a picture.
-
The MP8870 Rev. 1.0 data sheet on page 12 contains the following description.
Can I connect a 1.8 V I²C bus to the MP8870 I²C bus?
Hello max1,
I saw this portion as well. Our team said that it should be able to support i2c in the range of 1.8-3.6V.


