Hi,
Myself Antony.
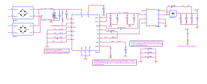
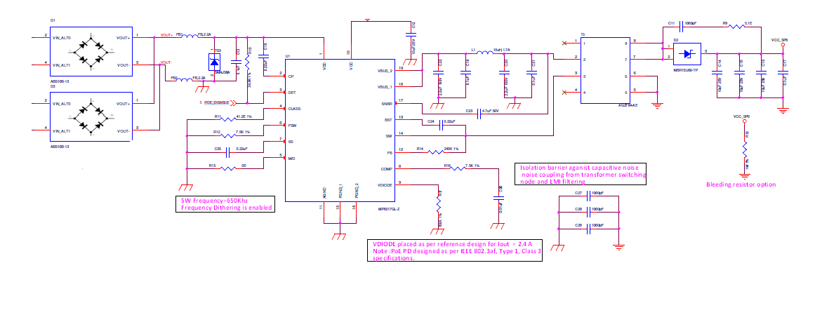
I am using MP8017GL-Z PD module of Monolithics.
For that I am using POE injector of GT96300-3656-T3-APOE from Globtek.
I am encountering an issue with the POE detection.
I had put a proper 24.9k resistor across VDD and DET pin.
Upon giving power to the injector, in each power cycle, the time taken for POE detection is different.
At one time, it will happen in 1s. At another time in 3s. In 10s. In 4s.
Like that randomly it happens.
Why it behaves like that?
Is that a usual behaviour? But the same product and POE injector been tested.
And also I have another problem. I have cold boot issue.
My PD detection not happening at -30 degC.
Can anyone tell reason for this and help me to sort out this issue?
Thanks in advance.
Hi @Krishan.FAE,
Need your support.
Hi @vinh.tran ,
Need your support. I had seen the same kind of issue solved by you for jacaca.iot.
Can you have a look at it.
By the way the below is my schematics.
Hi @Rubas.FAE ,
Need your support.

