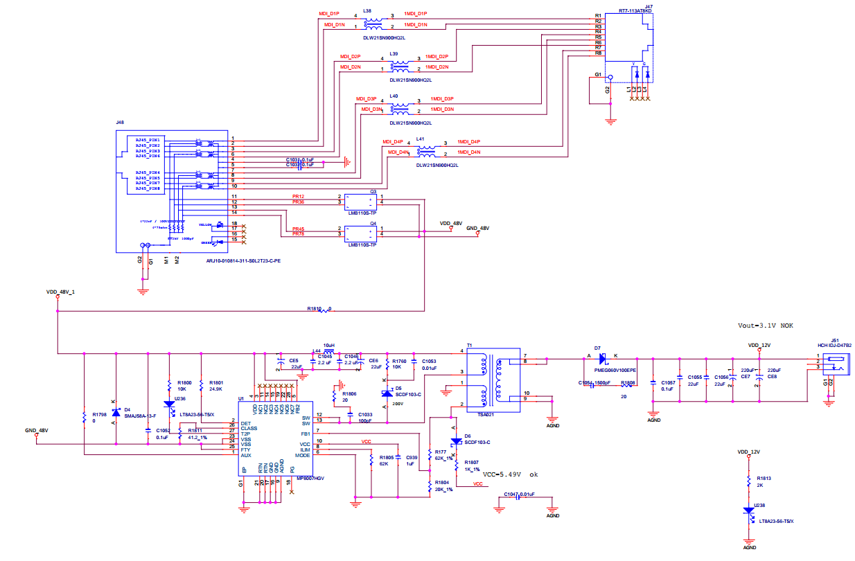
MP8007H POE fly-back output was 3.1V,what's the reason?

Hi MPS,

we did a intern project and using MP8007HGV for PoE-PD design, and the schematic is as below, but the output voltage is 3.1V, NOT 12V as we designed. so what is the reason that output voltage deviate from 12V, do the transformer not suitable for MP8007H?


Hi Jasperni,

Welcome to the MPS forums, apologies for the delay in getting back to you.

Let me review the schematic and get back to you on this. In the meantime can you share some waveforms such as Vin, Vout, Iout, SW, Fb?

Also, what are the design considerations for your flyback transformer in terms of switching frequency, inductance?

Regards,
Adhish

Hi Adhish,

thanks for your reply, I had changed the tranformer T1 and adjust R1805=20K ohm(key component, sensitive to finger if pressed on it), R177=52.1Kohm, and removed the L44(10uH), the output is 12V now.

VCC=5.4V normally.
Vin=50.7V
Vout=12V

Jasper
20250814

Hi jasperni,

Glad to know it worked out for you.

It looks like the transformer’s inductance in your design was 127uH, this specifications of the transformer cannot work for DCM mode in our MP8007H.
127uH is a high inductor value that can only be used for flyback with CCM mode.

I believe you are now using the correct transformer, but just FYI, our EV8007-V-00D uses the following part number:

Regards,
Adhish