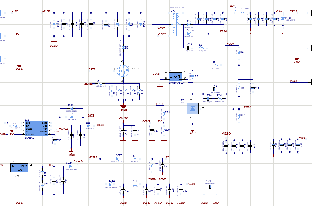
İ have designed a isolated flyback with mp3910. I refered the apllication not. But i changed the transformer for more power. I select the 750316116 transformer. I decrease the r sense. But i cant reach 12v 4a. My design cant exceed 12v 2.2A. When i dcrease the r sense design started make audible noise. How can i reach 12v4a?
