Hello,
I encounter a problem with the 2s Li-ion charger MP2672. When connecting the VBus, the register 04H bit 3 is high meaning that the ic entered the battery overvoltage protection and stopped charging. When mesuring the voltage battery alone (charge disabled) I get 6.7V.
Here is a dump of all the registers :
REG 0 : [0…7] 0011100
REG 1 : [0…7] 11110001
REG 3 : [0…7] 00000000
REG 4 : [0…7] 00010001
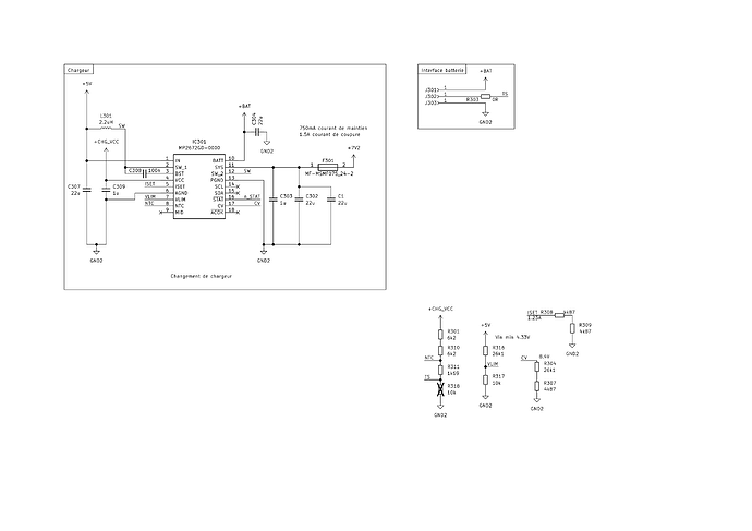
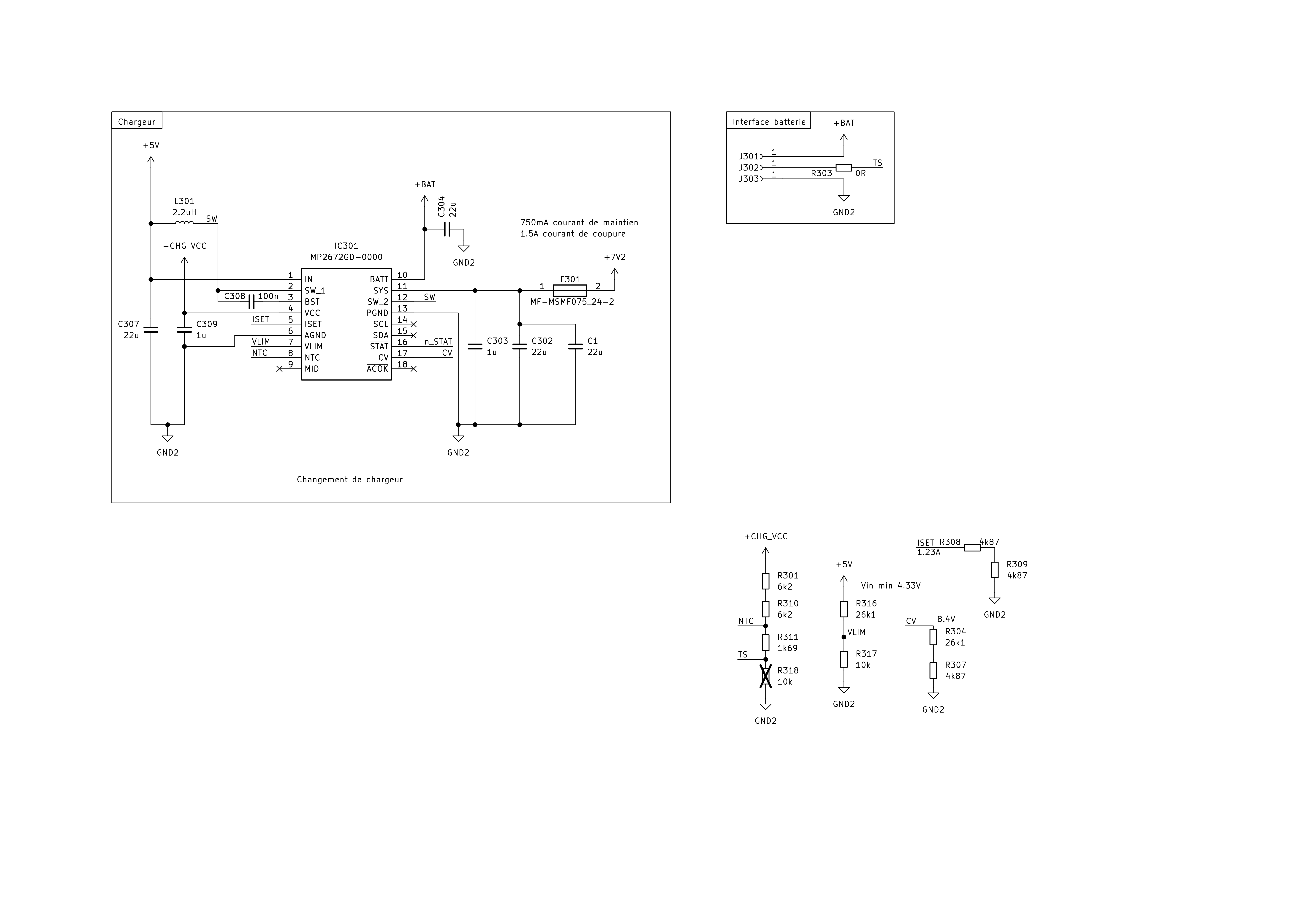
You can see in the attached files my schematic and layout.
Do you have any suggestions on why this behavior happens at random interval (sometimes at power up, but also a few seconds later) ?

