Hello,
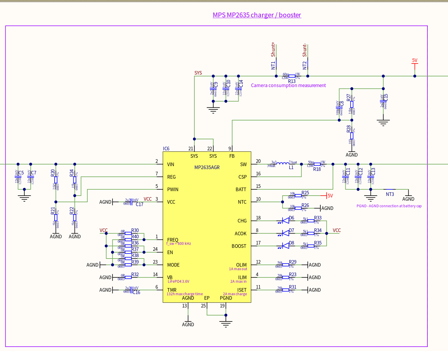
I have designed a battery charger and boost converter using the MP2635A. Would it be possible for experts at MPS to do a design review? The schematic is attached.
The battery used is LiFePO4 Narada FE100A 3.2V 100Ah
Max charging current should be 2A.
Max boost current should be 1A.
Switching frequency should be 600 kHz.
MP2635A should automatically start charging the battery when 5Vin is present at the charger port.
Maximum charging time should be 132h.
Thank you and best regards,
Samo
