MIE1W0505BGLVH Footprint

Hi Team,

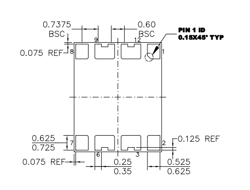
We could not find MIE1W0505BGLVH some Footprint details in the datasheet.
Kindly help with the marked pad X Y dimensions / footprint file.

Hello,

For the measurements between X and Y, I am geometrically extrapolating from the measurements that are already existing on this diagram (all in millimeters according to the datasheet):

X = 0.3mm*3 = 0.9mm

Y = 2.425mm - 1.75mm = 0.675mm


These measurements can be corroborated by the back view of the package. You can size the pads with respect to this.

It seems the land pattern here is sized a bit bigger than the actual package dimensions for headroom on the solder landings.

Best,

Krishan

This topic was automatically closed 90 days after the last reply. New replies are no longer allowed.