Heating issue while connecting battery and external supply -MP2619

Hi MPS Team,

We are experiencing a heating issue in our design involving the MP2619 power path controller. The problem occurs only when both the battery and the external supply are connected simultaneously.

Details:

  • We have designed a battery charging circuit based on the MP2619.

  • There is no issue when either the battery or the external supply is connected independently.

  • However, when both are connected, U11 begins to heat up.

  • We are using a 2S1P Li-ion battery (7.4V, 4500mAh).

  • Our design closely follows the reference EVK circuit.

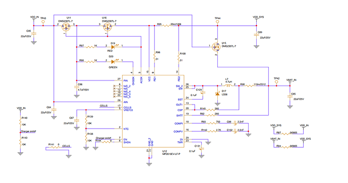
I’ve attached a snippet of the schematic for your review. In the schematics, VDDIN is the external supply, VBAT is the battery input, and VSYS is the load. R87,R94 is not mounted. Kindly check and let us know if there’s anything that might be causing this issue.

Looking forward to your immediate support.

Best regards,

Arun Kumar V

Embien Technologies

9894210314

Hi 9894210314,

What is the temperature of the IC raising upto? Is the IC shutting off after some time in this scenario when Vin and battery are connected at once?

Regards,
Adhish

Hi Adhish,

We haven’t measured the temperature yet. As soon as the board started heating, we removed the battery. The heating is quite high, almost like a short connection.

Could you please check and confirm whether the schematic is correct before we power it on again?

Regards,
Arun

Hi Arun2,

The schematic looks good to me as it replicates our EVB.

The heating issue can be caused due to your layout or the power loss this chip is producing.

I hope you must have followed our layout guidelines for this part while designing the board. Sometimes if the switch node, power trace and ground are not properly optimized, then it can block the thermal dissipation. The thermal shutdown for this IC is at150C.

  • What is your input voltage for Vddin?
  • Charger status indication (ACOK and CHGOK) when it is heating?

Regards,
Adhish

Hi ,

VDDIN is 12V 2A.. need to check the led status. Switch node trace width is 20 mils.

Regards

Arun

Hi,

Charge status led is on while heating.we follow same layout.. Is there any other thing we missing?

Regards,

Arun

Battery specification:

This topic was automatically closed 90 days after the last reply. New replies are no longer allowed.