So, I’m trying to manually setup my Evaluation Kit. And got to the point of configuring the average current limit value. I can see the threshold is not reached by current directly, but rather by the voltage that the MPQ4210 measures between the Rsense terminals, as per the ILIM register definition on the MPQ4210 datasheet.
Now, looking at the evaluation kit datasheet, I would assume that the Rsense value is 5 mOhms on the evaluation kit.

Now, does that mean that the current limits on the evaluation kit are double from the ones listed on the MPQ4210 datasheet? And, am I wrong on assuming Rsense is 5mOhms on the evaluation kit?
Hi,
From the datasheet of EVQ4210-U-00B, R4 is 5m, you are correct.
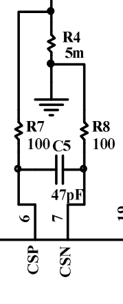
From this figure,
if Rsense is 5m, the current limits on the evaluation kit are double from the below values.
But I recommend that you can change the R4 to 10m, then the values are matched.
Sincerely,
Fox
Though, looking at the datasheet to more detail, which value does it take into consideration for the ILIM, the one measured between the IAVGP and IAVGN pins or the one between the CSN and CSP pins? Because, I can see that the resistor between IAVGP and IAVGN is indeed 10 mOhms, while the one between the CSN and CSP pins is the one with a 5 mOhms value.
Hi,
Sorry for the misunderstanding. From the datasheet of MPQ4210 page25, you can know that R3 is the Rsense of ILIM, which is the resistor between IAVGP and IAVGN. You can find R4’s function on page 23. It is the cycle-by-cycle switching current limit sense resistor.
So you can follow the datasheet of EVQ4210-U-00B, use 5mR4 and 10mR3.
Sincerely,
Fox
