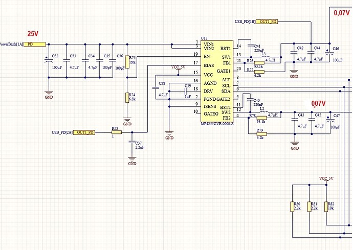
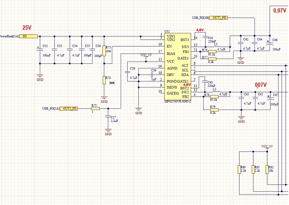
Hi. I cant start this devices. Vout both channels 0,07V in this configuration, Vcc=4,99V, Vin=25V, Iin=0,05A. My mp4255 is fake or wrong shematic ?
Hello @chalo_chalo ,
Thank you for posting on the MPS Technical Forum.
I was reviewing your schematic and notice R74 (Bottom resistor of EN voltage divider) is 6.8kΩ.
From the datasheet, it is stated that the EN pin needs a voltage above 1.6V for the IC to start up normal operation.
From your schematic, given the input voltage of 25V and the resistors chosen, the voltage at the EN pin is 1.59V, which is not enough to fully enable the IC.
Also, the datasheet recommends to use a 36kΩ.
Try making this change and hopefully this will solve the issue.
Best,
Edgar
Thanks for the answer, Edgar. Yes, I try 36k, but this is not problem solving. Also, on the BST-pins, i have 4,8V.
This topic was automatically closed 90 days after the last reply. New replies are no longer allowed.


